autor a zakladatel stránek je Vilém Mitlöhner - aktuální administrace Petr.116

Tento Blog již není udržován, doporučujeme jeho modernějšího nástupce. Klikněte ZDE

Komentáře

Zobrazit vše (2720)
Zobrazit starší komentáře

2601 Enter Enter | 24. listopadu 2012 v 7:54

[2600]: Což je logické, když jsi asi o 160 let starší :-D  :-D  :-D. Pak ale nechápu tvůj příspěvek o náhradě polystyrénu vatelínem - vatelínovou bednu jsem fakt ještě neviděl :-D.

2602 Westfan Westfan | 24. listopadu 2012 v 9:29

[2601]:No vidíš, kdybys byl na minulém srazu, tak Baleno tam zrovna měl bedny vytlumené vatelínem a hrály opravdu luxusně.

[2599]: Já proti těm LHD po mých zkušenostech nic nemám a běžně je používám. Emgeton DP 25 LN, ty fakt za moc nestojí, ale na půlstopý záznam celkem ujdou, používám je na Sonety a u B44, atd a tam s nimi problémy nejsou.
Na ty Ramones se budu muset podívat podrobněji, já je v podstatě skoro vůbec neznám, poslouchám hlavně 60. a 70. léta od Beatles po Deep Purple, ale už se mi kolikrát stalo, že jsem někde u někoho slyšel nějakou skupinu, která mě dřív vůbec nezajímala a pak jsem zjistil, že je to výborná hudba, byť třeba nezapadá do žánru, který poslouchám nejvíc. Takhle jsem třeba objevil Dire Straits, nebo Electric Light Orchestra, atd. :-D  :-D
Jenže jak jsi mi na srazu ty Ramones pouštěl na B73, tak se mi to líbilo. :-)  :-)

2603 Petr.116 Petr.116 | 24. listopadu 2012 v 11:17

[2601]:
Vatelín:

já nemám nic proti pánům z KE, ale u vytlumení jde o zásadní věc:

Zabránit maximálně vzniku stojatých vln ve skříni.
Metoda zmačkané umělohmotné fólie uvnitř skříně byla rychlý a levný pokus pánů z Klubu elektroakustiky Praha o náhradu osvědčených materiálů jako textilní tlumení. Bedna sama byla z polystyrénu. A celé to bylo uděláno tak, aby si to každý formou stavebnice doba bez nářadí udělal.
Detaily tu nemá až tak smysl rozebírat -o pohltivosti obkladových materiálů se dá najít spousta zajímavého např. ve skvělé knize Příručka elektroakustiky od pana prof. Merhauta a kol.
(mj. to byl náš šéf katedry Zvukové techniky a vibrací na ČVUT-FEL - jeden z nejzkušenějších lidí v oboru u nás).

2604 Petr.116 Petr.116 | Web | 24. listopadu 2012 v 12:50

ALL:

... pozor na zboží aktuálně na Aukru,
evidentně pochází od známého distributora aušusů z Bydžova.

2605 Petr.116 Petr.116 | 24. listopadu 2012 v 12:50

[2604]:
Nenapsal jsem - link byl ve WEB v minulém příspěvku, ale nekomentoval jsem ho ... :-)

2606 Enter Enter | 24. listopadu 2012 v 13:08

[2602]:
[2603]:: Pánové, proč oba mluvíte o tlumení, když ludva mluví o konstrukčním materiálu beden?

2607 Petr.116 Petr.116 | 24. listopadu 2012 v 16:21

Enter[2606]:

Kdyby sis to přečetl pořádně, dočetl by ses : "... Co mě , ale zarazilo, tak byla výplň uvnitř, celé to je v takové PUR pěnové formě obalené normálně klasicky dřevotřískou."

Když někdo mluví o VÝPLNI uvnitř, nemluví o konstrukci stěn. Ale o tom, co je tam nacpáno :-)

Takže šlo jednoznačně o výplň v bedně a co je v bedně jako výplň ? Tlumení :-):-):-)

2608 Enter Enter | 24. listopadu 2012 v 16:48

[2607]: Jasně, a to tlumení je vylisované z polystyrénu s předlisovanými vybráními na reproduktory... Tak si počkáme na ludvu a bude to.

2609 Petr.116 Petr.116 | 24. listopadu 2012 v 17:13

[2608]:
Tak je fakt, že to popsal dost zmateně a kdyby (ač jsme mu to psali) to popsal líp, bylo by jasno ... v každém případě skříně RS20 byly původně jen polystyrén.

On to asi pak někdo (v případě ludvy) strčil celé do dřevotřísky a tím vzniklo tohle nedorozumění.
Já pak mluvil a té zmačkané fólii, co se dávala dovnitř.

2610 Petr.116 Petr.116 | Web | 24. listopadu 2012 v 17:15

zajímavé čtení (web)

2611 Petr.116 Petr.116 | Web | 24. listopadu 2012 v 17:23

Našel jsem pár info:

řada RS20

RS 22 Junior - dvoupásmová hifi reproduktorová sioustava do 20 W
Pro věrnou reprodukci hudby v obytných a menších společenských místnostech. Uzavřená levistenová skříň sendvičové konstrukce má účinné vnitřní tlumení mnohobuněčným vzduchovým labyrintem. Povrch je potažen melaminovou krytinou (Umakart) nebo samolepicí tapetou, vpředu je průzvučná přírodní tkanina. Moderní reproduktory TESLA optimálně přizpůsobené elektrickou výhybkou dávají soustavě vlastnosti převyšující požadavky normy DIN 45 500.

Soustava RS 22/8 o impedanci 8 ohmů je univerzální a hodí se pro všechny magnetofony, přijímače a zesilovače napájené ze sítě i z baterií, monofonní i stereofonní, i jako zadní dvojice pro kvadrofonní i čtyřkanálová zařízení. Dvojicí paralelně zapojených soustav uspořádaných na výšku nad sebou, o výsledné impedanci 4 ohmy a dvojnásobné zatížitelnosti, je možno ozvučovat společenské místnosti. Varianta RS 22/4 o impedanci 4 ohmy se hodí jen k těm zesilovačům, které se nepřetíží nízkou zatěžovací impedancí (např. TW40). Kromě impedance jsou ostatní vlastnosti obou variant RS 22/8 a RS 22/4 zcela shodné.

Max. zatížitelnost hudebním signálem 20W, kmitočtový rozsah 40 až 16 000 Hz +-6dB, dělící kmitočet 2,5 KHz, vnitřní objem 20 litrů, rozměry 300 x 300 x 520 mm, hmotniost 4Kg (!).

RS 20 Junior - třípásmová hifi reproduktorová soustava do 10/20 W
Má tři reproduktory Tesla a dělící kmitočty 800 a 8000Hz. Dvě varianty: RS20/8 a RS20/4 o impedanci 8 a 4 ohmy. Až na odlišný rozptyl vysokých tónů jsou vlastnosti a technické údaje prakticky shodné s typem RS22/4.

===============

Neboli na tom polystyrénu si kdo chtěl, mohl dát ještě tenkou umakartovou desku - viz popis.
Já ke viděl vždycky bez toho.

2612 Petr.116 Petr.116 | 24. listopadu 2012 v 17:56
2613 Petr.116 Petr.116 | 24. listopadu 2012 v 18:06

[2608]:
Jinak jsem si vzpomněl, že Ty bys je vlastně měl mít (RS20)... přece jsi je chtěl přivézt na sraz :-)
To je máš i s tím umakartem nalepeném na polystyrénu ?

2614 Enter Enter | 24. listopadu 2012 v 18:21

[2613]: Samozřejmě, mám třípásma RS 20 i dvoupásma RS 22. Když je člověk kupoval kompletní, tak tam ten umakart byl nalepen už od výroby. Když kupoval stavebnici, tak dostal v sadě i nařezaný umakart na polepení. Když kupoval po částech, tak si tam mohl nalepit, co chtěl. Ono když se to nepolepilo alespoň tím umakartem, tak ty polystyrénové ozvučnice nebyly dostatečně tuhé.

2615 Petr.116 Petr.116 | 24. listopadu 2012 v 18:31

[2614]:
no z toho plyne (ludva nánm řekne víc), že ludva asi získal polystyrenky, které někdo strčil do udělané bedny z dřevotřísky. Protože se zmiňoval, že jsou vyjmout ... kdyby byly lepené, nešly by ...

2616 Petr.116 Petr.116 | 24. listopadu 2012 v 18:32

[2615]:
jsou -> jsou

2617 Petr.116 Petr.116 | 24. listopadu 2012 v 19:49

[2616]:
jsou -> jsou :-)

2618 Petr.116 Petr.116 | 24. listopadu 2012 v 19:49
2619 Petr.116 Petr.116 | 24. listopadu 2012 v 19:51

[2615]:
Jsou -> Jdou

... sakra, jak chce člověk něco ve fofru napsat ... takhle to dopadne :-(

2620 Jojo Jojo | 25. listopadu 2012 v 8:35

[2573]:Skúšal som zapekať už dávno ale nepomohlo,testované na Shamrock.

2621 Enter Enter | 25. listopadu 2012 v 9:58

[2620]: Tak Shamrock je taký americký Emgeton :-D - odkladisko na nevydarené šarže Ampexu.

2622 Jojo Jojo | 25. listopadu 2012 v 13:55

[2621]:
O tom som už počul,rovnako aj o nevydarených várkach Ampex-u.
Používam Agfy a Basf v 35 a 50 mik.hrúbky.
Pri Agfe sa mi už stalo že bola natiahnutá-mechanicky,bola hrubá 35 mik.

2623 Jojo Jojo | 25. listopadu 2012 v 13:57

[2622]:
...samozrejme bola už použitá,nevedno čo s ňou predchádzajúci majiteľ respektíve jeho magnetofón stváral.

2624 Petr.116 Petr.116 | 25. listopadu 2012 v 15:15

[2622]:

... nevím, na čem to používáš, ale pokud používáš mgf TESLA běžných řad (B7XX, B1XX, CMXXX apod.), je 35/50 um silné a neobebné do páskové dráhy.
Optimum je 25 um ... 35 a 50 je moc. Neuděláš dobré opásání hlavy a celkově to bude mít nic moc vlastnosti např. na páskových brzdách apod.

2625 Jojo Jojo | 25. listopadu 2012 v 19:44

Používam Revox A77,2-stopý a 4-stopý.

2626 Petr.116 Petr.116 | 25. listopadu 2012 v 20:28

[2625]:
Tak to jo :-)

2627 Jojo Jojo | 25. listopadu 2012 v 21:30

[2625]:
Samozrejme Teslu mám taktiež a to dva kusy B730.
Nie som priamo typ kutila ale z pohĺadu užívatela sa mi z Tesla kotúčakov najviac pozdáva B115-B116.CM-ko som už taktiež mal ale nezaujalo ma,v podstate je to B 115-116 v inom kabáte ale to tu samozrejme všetci viete.
A B115 nahradilo Sony 366.

2628 Petr.116 Petr.116 | 26. listopadu 2012 v 20:58

ALL:

nemáte lidi někdo dokumentaci z Tesly Kolín na téma jazýčková relé ?

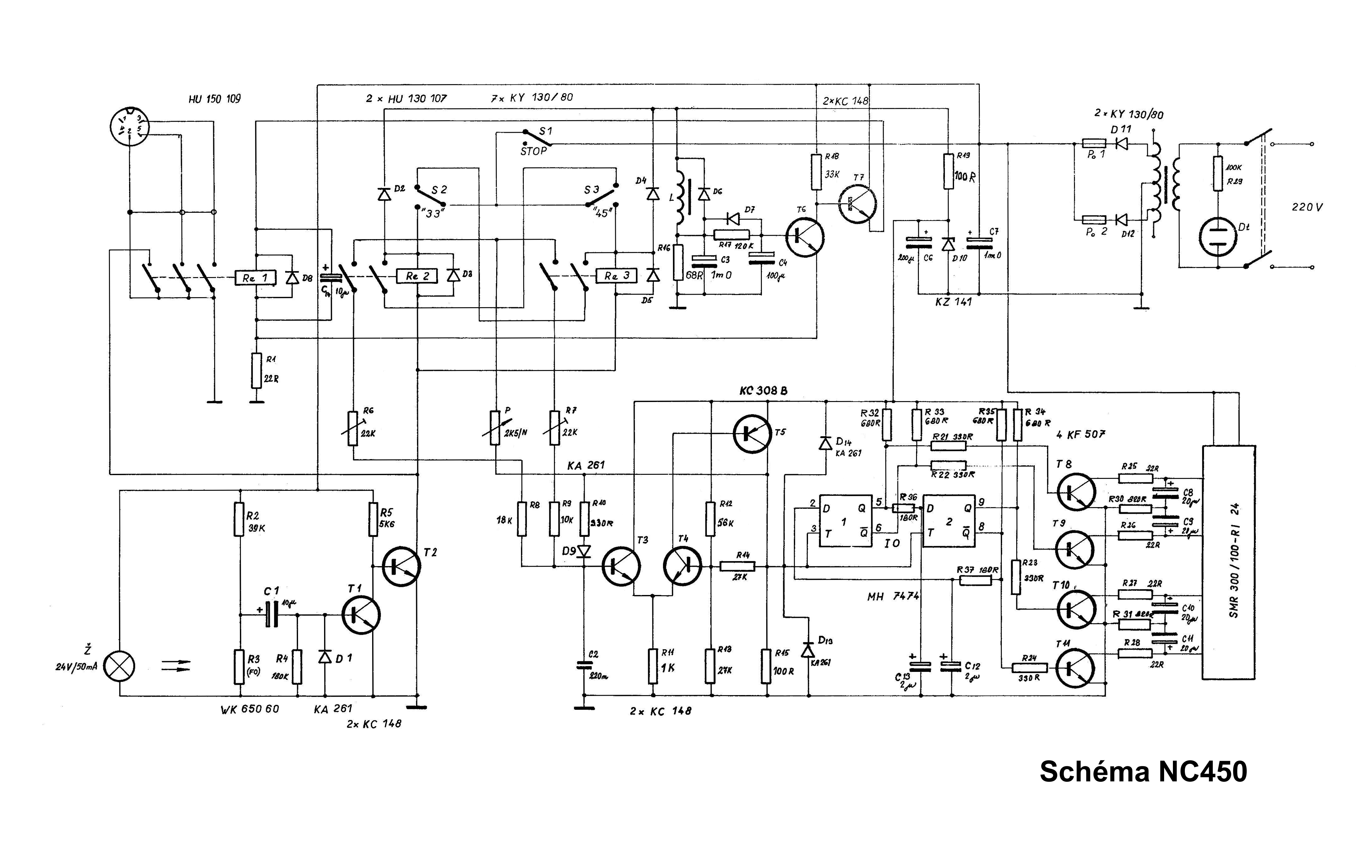
Něco mám, ale nemůžu najít napětí cívky na HU 150 109 (to je v NC450 jako mute-relé - zkratuje to výstup z vložky při přepínání na nějaký čas.).

2629 Petr.116 Petr.116 | 26. listopadu 2012 v 22:13

[2628]:
na vysvětlenou : zajímá mne to díky rekonstrukci a úpravě originálního zapojení, kdy se asi bude měnit napájení a tudíž bych rád věděl parametry relé od výrobce.
ta druhá dvě relé HU 130 107 jsou na 12V - to vím.
Jen nevím to poslední - HU 150 109. Jen vím, že mají 3 jazýčky a jednu cívku. Potřebuju její jmenovité napětí.

2630 Westfan Westfan | 27. listopadu 2012 v 11:33

ALL: přátelé, měl bych jednu malou prosbičku a sice, zda by někdo neměl schéma zapojení křížového DIN konektoru používaného u sluchátkového výstupu mgf B11x a CM1xx, chci si vyrobit kabelovou redukci na jednom konci tenhle DIN a na druhém samice jack 6,3 mm, abych u nich mohl používat sluchátka Sennheiser HD 598, která jsem si nadělil trochu předčasně k vánocům. :-)
Ještě bych se chtěl zeptat, jestli ta sluchátka můžu u těchhle magičů normálně používat, nebo jestli tam bude nějaký problém s impedancí a bude nutná nějaká úprava kabelu.
Díky.

2631 Enter Enter | Web | 27. listopadu 2012 v 13:26

[2630]: Máš to ve "webu".

2632 Enter Enter | 27. listopadu 2012 v 13:26

[2629]: Pomůže ti servisní dokumentace NC 450?

2633 Petr.116 Petr.116 | 27. listopadu 2012 v 17:56

[2632]:
Díky, ale nepomůže, protože tu mám a nic v tomto duchu v ní není. Sice ze schématu BY MĚLO vyplynout, že jestliže to relé přes spínací tranzistor je připojováno na 24V, že asi na 24 bude :-) ... jenže občas jsou některá zařízení navržena ...

Raději při úpravách kontroluju originální dokument výrobce.

Ty máš nějakou jinou servisní dokumentaci, než jaká je na radiohistorii.sk ?

2634 Petr.116 Petr.116 | 27. listopadu 2012 v 17:58
2635 Westfan Westfan | 27. listopadu 2012 v 18:54

[2631]:Díky moc. Vida, naivně jsem si myslel, že u toho DINu bude zem uprostřed a hle, není. :-D  :-D

2636 Sendy Sendy | Web | 27. listopadu 2012 v 19:11

[2629]:

Mám sice nějaké katalogy relátek, ale tenhle typ tam není. Jednoduše se dá ale otestovat, při jakém napětí spíná, a z toho odvodit napětí (spíná asi při 70% jmenovitého napětí). Další vodítko by měl být odpor cívky, docela typická spotřeba cívek u jazýčkáčů Tesla byla 1W pro 1 jazýček, 1,2W pro 2 jazýčky a asi 1,4W pro 3 a 4.

2637 Petr.116 Petr.116 | Web | 27. listopadu 2012 v 22:06

[2636]:
Dík - tyto odhady znám, jen jsem hledal origo tabulku.

Já mám tohle (Web).

Ale stačí to - údajně max. dovolené zatížení cívky s 3 jazýčkovými kontakty je 1,5W - to by při odporu 443 ohmu vycházelo 25,8 V.

Takže to pánové z Litovle mají dobře (obvod má napájení cca 24V - sice nestavilizovaných, ale ...)

Díky za nakopnutí správným směrem :-)

2638 Petr.116 Petr.116 | 27. listopadu 2012 v 22:08

[2637]:
Jinak ten odhad dle spínacího napětí tady nevychází (u mne spínají kolem 6,8 V).

2639 Sendy Sendy | 27. listopadu 2012 v 22:35

To je z knihy Elektronické součástky, jejich volba a použití nebo takového cosi Nečásek a spol ?

A při jakém napětí spínají ty dva 12V kusy ?

2640 Petr.116 Petr.116 | 27. listopadu 2012 v 22:57

[2639]:
v průměru tak 4,3 V (odpor cívky 334 ohmu) - tedy 21,6 V

Já jsem sice napsal, že jsou na 12V, ale kde je psáno, že ten údaj z WEBu sedí ... :-)
Nicméně je to na WEBu na několika místech ... ovšem dát toto relé do obvodu 24V je ...

2641 Petr.116 Petr.116 | Web | 29. listopadu 2012 v 1:29

[2637]:
Tak jsem přehlédl chybu : jak jsem psal o napájení 24V, tak to bude těch 12 ... (kondy ve zdroji jsou na 15V, to by byl nesmysl - přehlédl jsem to.).
Ono existuje ještě jedno schéma NC450 - viz WEB.
Tak je na rozdíl os schema na radiohistorii s množstvím chyb vidět, jak je zapojené to 3 kontaktní relé, o kterém byla řeč.

2642 pavelk pavelk | Web | 29. listopadu 2012 v 11:57

[2630]:
Nač se s tím dělat, když je to za cenu čtvrt litru nafty...viz web. Avšak poštovné bude desetinásobné....

2643 Petr.116 Petr.116 | 1. prosince 2012 v 23:04

ALL:

Kde jste všichni ?

2644 Agfak Agfak | 6. prosince 2012 v 17:19

Zdravím všechny.
Zajímá mně cokoliv ohledně pásky AGFA PE49.
Porovnání se starší PE46 nebo jak si stojí v porovnání s PEM268.
Koukal jsem, že má jen 23um, kdežto PE46 má 25um.
PEM mají o dost větší remanentní tok.
Zkrátka cokoliv k těmto agfám.
děkuji :-)

2645 pavelk pavelk | Web | 12. prosince 2012 v 15:32

[2644]:viz WEB
Je tam pár zajímavostí v tabulce

2646 Michal Michal | E-mail | 25. prosince 2012 v 18:21

Zdravim vsetkych,

v prvom rade kazdemu fanusikovi starych strojov, ako aj zakladatelovi tychto stranok zelam prijemne sviatky.

Pokial by to bolo mozne a niekto s tymto bude mat skusenosti, by som chcel poprosit o radu. Dostal sa ku mne do zbierky krasny kus magnetofonu Tesla B58. Doniesol mi ho jeden znamy, ktoremu ho bolo luto vyhodit. Musim povedat, ze doteraz som sa nestretol s tym, aby som takyto magnetofon otvaral po prvykrat. Na jednom zo srobikov na spodnom veku bola este original nalepka TESLA zarucujuca zarucnu dobu magnetofonu. Vo vnutri absolutne nebolo nic porusene, vsade bola este original farba cez srobiky. Akokeby sa magnetofon skoro vobec nepouzival, dokonca ani prach tam skoro vobec nebol, vsetko krasne ciste. Po zapnuti motor nadherne nabehol tichym chodom. Prehravanie, nahravanie, dokonca aj automatika funguju uplne bez problemov. Mechanika a prevody, boli sice trosku tvrde, ale po par minutach som pochopil, preco sa vsade pisalo, ze loziska su samomazne. Nic nevrzgalo, netukalo...magnetofon vsak ma jednu chybu. Nefunguje mu indikator zaznamu.
Kedze v tomto zapojeni nie je nic takeho zloziteho, pokusil som sa problem vyriesit. Najskor som otestoval, ci je indikator v poriadku. Z druhej B58 som si potiahol dva kable, ktore som pripojil na indikator. Zapol som na nej nahravanie a indikator v pohode vsetko ukazoval. Usudil som teda, ze indikator asi bude v poriadku. Odklopil som zosilovac a podla schemy a nakresu plosnych spojov som zistil, ze jediny problem pri indikatore moze byt tranzistor, v ktoreho kolektorovom obvode je indikator zapojeny. Je tam pouzity tranzistor 155NU70. V tomto pripade tu bol tranzistor 156NU70. Hodnoty ostatnych suciastok v obvode boli identicke ako v dalsich B58. Z jedneho som teda vybral 155NU70 a jednoducho som tranzistory vymenil.Vysledok nebol ziadny, indikator nefungoval. Vratil som tam povodny tranzistor a isiel dalej. Slabu pociatocnu vychylku podla servisneho navodu ma na svedomi keramicky kondenzator C24 s hodnotou 4700pF. Malú citlivost indikátora má zase na svedomí elektrolyt C35 s kapacitou 5uF. Obidva som vymenil za uplne nove kusy a vysledok opat ziadny. Pemeral som teda este rezistory, ci maju svoju hodnotu. Vsetko bolo ok a indikator stale neukazuje.

Chcem sa preto opytat niekoho, kto by mi vedel poradit, v com este moze byt problem. Chcem sa vyvarovat dalsiemu zbytocnemu pajkovaniu a vytahovaniu suciastok, aj ked doska sice je ako nova, ale uz predsa ma svoje roky a viem, co su tieto dosky zvyknute urobit pri castom pajkovani. A hlavne ta tenka hlinikova kabelaz.....

Vdaka za rady a este raz zelam prijemne sviatky ;-)

2647 Ludovít Ludovít | E-mail | 25. prosince 2012 v 19:08

Hľadám náhradné diely na magnetofón B 700

2648 Petr.116 Petr.116 | 25. prosince 2012 v 19:27

[2646]:
Zdravím a děkuji za přání - přeji totéž.

Pokud jde o moji reakci technickou, ta bude už ale méně pozitivní.

Nedoporučuji zejména u takto údajně zachovalého stroje tyto zcela amatérské zásahy a svěřit stroj zkušebnému člověku.

Protože práce typu pokus/omyl, zbytečné vyletovávání součástek apod., obvodářská nezkušenost - tak to nejde.

Věta "podla schemy a nakresu plosnych spojov som zistil, ze jediny problem pri indikatore moze byt tranzistor, v ktoreho kolektorovom obvode je indikator zapojeny." je od zjevného laika poněkud úsměvná ...

a) tohle vypadá na starou verzi - v nové už byl křemíkový KCC148. Indikátor pak není v kolektoru, ale v emitoru.

b) doporučuji předělat na novou verzi, ale dejte to někomu jinému ...

2649 Petr.116 Petr.116 | 25. prosince 2012 v 19:31

[2648]:

překlepy : zkušebnému -> zkušenému, KCC148 -> KC148

K Vašemu textu - co takhle změřit napětí na tranzistoru ?

2650 Michal Michal | 25. prosince 2012 v 21:32

Petr.116

Mate pravdu...som v tomto laik, moja profesia je uplne ina...tieto informacie mam zo servisneho navodu, kde mi tiez plno informacii o elektrickom nastaveni a merani nic nehovori. Je to vsak moje hobby a niektore veci ako pajkovanie mi celkom idu :) odbornu opravu, premeranie a nastavenie elektroniky by som urcite nechal na odbornika.

Co sa tyka merania napatia na tranzistore - este kym som ho mal von, otestoval som tranzistor v inej B58, kde fungoval bez problemov, tak som tento problem dalej neriesil. Urcite je tam plno cinitelov, ktore napatie na tranzistore ovplyvnuju, no som laik, takze sa neodvazujem ani hadat.

Problem s indikatorom som vsak vyriesil...aj napriek tomu, ze magnetofon som otvaral ako prvy, prepinace kontaktov po vytiahnuti z listy, boli totalne cierne, asi zoxidovane. Pohral som sa z doskou zosilovaca "chirurgickymi rukami" aby som nieco neposahal. Dal som dole aj listu v tvare U, v ktorej bezec behal po kontaktoch. Podla rady jedneho mojho kamarata, zobral som gumu na gumovanie ceruzky, pobehal som po kontaktoch na doske aj na bezci, liehom som to vsetko nasledne vycistil, dal namiesto, zosilovac zaklopil a.....abraka dabra, indikator ozil. :) Neviem ako je to mozne, asi stastie amatera, ale predpokladam, ze som vycistenim nejaky zoxidovany spoj ozivil.

Mate pravdu aj s tou verziou. Mam aj B58, kde je to riesene cez kremikovy KC148. Tu som mal problem s neustalym takym tichym brucanim v repraku, aj ked nebola zaradena funkcia smnimania. Hocico som vyskusal, napr. vymenu tranzistora predzosilovaca, zaznamoveho aj snimacieho korekcneho tranzistora, nic nepomohlo. Zoskrabal som preto zalakovanu spodnu stranu plosaku, prebehol som cesty pajkovackou s cinom pri nizkej teplote, aby som dosku neprevaril a brucanie zmizlo. Asi tam bola tiez nejaka mikrotrhlinka v spojovych cestach.

V kazdom pripade dakujem za poznamky aj za rady a este raz zelam prijemne sviatky. :)

2651 Petr.116 Petr.116 | 27. prosince 2012 v 10:46

[2650]:

Díky za info - jsem rád, že se to povedlo.
Faktem ale je, že pokud máte možnost si výhodně sehnat další MGF, doporučoval bych něco z řady Bxxx nebo CMxxx, protože řada B5 a odvozené stroje (např. Vaše B58) je bohužel z celé produkce Tesla to nejméně kvalitní a dělá to Tesle Přelouč ostudu ...
Zmíněné mgf jako B113, B115, B116, CM130, CM160 jsou zcela jiná třída. :-)

2652 balenoGLX balenoGLX | 7. ledna 2013 v 12:25

K nějakým deklům (plexi)na řadu B11x ještě lze někde přijít, nebo to už zmizelo úplně? Mám teď za "děkuji pěkně" mít možnost celekm hezkou a kompletní B115, ale dekl samozřejmě chybí. Tak přemýšlím, jestli ho "udělat", nebo to jen rozebrat na díly a zbytky vyhodit...

2653 Standoch Standoch | 7. ledna 2013 v 20:38

[2652]: Není to škoda k vůli plexi rozebrat celej magneťák :-|
Když jde tedy o B115....

2654 Standoch Standoch | 7. ledna 2013 v 20:39

[2653]: Na funkci to nebude mít vliv....
A to nemyslím na funkci rostlináře :D  :D  :D  :D

2655 balenoGLX balenoGLX | 7. ledna 2013 v 22:52

[2654]:A co tak funkce živočicháře? :D
No, když to nemá plexi, tak už to není ono...Nevypadá to jako TOP stav...a já musím mít všechno v TOP stavu. :-D

2656 Enter Enter | 9. ledna 2013 v 16:32

[2655]: Čo bolo, bolo, já si v poslednom čase stále spôsobujem škody sám sebe. Mal som doma pekné plexi na B11x - rozšliapol som ho. Mal som doma úplne nový kryt na NC 450 - pri lepení loga som ho pokvapkal chemoprénom. V nedeľu som rozoberal RK 09, dovlečené zo zberného dvora - ARN 567 vydolované bez problémov a ARV 161 som OBIDVE roztrhol pri vyberaní - jednu o roh bedne, jednu o tú trčiacu debilnú skrutku :-!

2657 Petr.116 Petr.116 | 9. ledna 2013 v 22:28

[2656]:
Tak to bych si na Tvém místě vzal týden dovolenou, jel do lázní a nechal se tam obskakovat pěknými terapeutkami a doufal, že Ti ho neulomí :-)

Protože při této smůle je to menší riziko, než do DE vypravit vlak :-D  :-D  :-D

2658 Petr.116 Petr.116 | 9. ledna 2013 v 23:38

[2657]:
... samozřejmě si dělám srandu :-)

2659 Jarda Jarda | E-mail | 23. ledna 2013 v 0:57

Ahoj
Rád bych se někoho zeptal na problém s B113. Hrají špatně basy a výšky, v jedné bedně víc v druhé vůbec. Dá se to někde vyštelovat? Pokud to vůbec je na štelování. Díky

2660 bajty bajty | 23. ledna 2013 v 16:10

vite nekdo neco o Tesle ANP 221B? prave me tady jedna lezi na stole

2661 pavelk pavelk | 29. ledna 2013 v 14:16

[2660]: Tak ji vyfoť ať se kouknem. Znám 2 druhy ANP 220 modré - jiné zapojení potenciometrů (ale možná to bylo předěláno-běžně existuje jeden) ANP 221 byla černošedá a jinak zapojeny poťáky od ANP 220 a dokonce existovala také ve dřevě jako B44,45 nedávno na aukru, ale co je 221B to nevím.

2662 bajty bajty | 29. ledna 2013 v 19:33

pavelk
no to je právě ona :-D jenomze v mém případě je to ANP221 ze 69 ve dřevě, tovární označení je ANP221B a před výrobním číslem má lomítko jediný rozdíl je tam že nemá klasickou šňůru ale konektor stejny jako má B43A a dá se snadněji vyměnit pojistka, jinak skříň je ze dřeva stejne jako B43A akorat je lakovaná silnější vrstvou takže se hodně leskne,horní dekl je klasicky seriovy,víko dřevěné,úchyt silně chromovaný ale ta vůně je fantastická

2663 Petr.116 Petr.116 | 29. ledna 2013 v 19:36

[2659]:
... moc málo informací ... Co znamená hrají špatně ? Nejde nastavit zdůraznění nebo potlačení, nebo co ? Tohle vypadá, že bys měl stroj svěřit na opravu někomu zkušenému ... může jít o spoustu možných závad (vadné součástky, poškozené spoje, kontakty přepínačů - je toho moc).
Odborník musí stroj proměřit, najít závadu (závady) a provést opravu ...

2664 pavelk pavelk | 30. ledna 2013 v 13:59

[2662]:
tak to bude seriák ve dřevě, možná nějaký export či Tuzex.Osobně jsem se s tím nesetkal

2665 bajty bajty | 30. ledna 2013 v 14:56

pavelk
asi velmi malá serie,ale nechápu proč, v tom dřevě vypada opravdu hezky

2666 Martin Martin | 1. února 2013 v 18:00

Zdravim Vas vsechny,

chtel bych se zeptat jenom jednu otazku. Treba bude mit nekdo zkusenost. Mam jeden starsi a docela pekny mgf typ B115. Chtel jsem si nahrat nejake pasy do pc, jenomze jsem take zjistil, ze mgf nema spravnou rychlost posuvu pasu. Mgf hral hrozne spomalene. Od jednoho kamarada jsem si pujcil motorovou remenici, protoze mi rekl, ze prave tahle muze mit vlyv na rychlost posuvu pasku. Po vyjmene remenice se vsak pas posouval o trochu lip, ale i tak to nebylo ono. Proto jsem vsechno vycistil a promazal. Mechanika jede tise, ale ta rychlost je porad spomalena. U kamarada taky na B115 hrajou pasy tak jak maji.

Nevite prosim Vas nekdo, v cem muze byt problem, ze je rychlost pasu spomalena? Predem diky za rady.

2667 bajty bajty | 2. února 2013 v 8:39

Martin
zkontroluj jestli ti nadmerne neunasi spojka na navijeni,ta muze zpusobovat zpomaleni i tak napohled silneho motoru,soudruzy v Prelouci ji radi dost utahovali, ja mel uplne stejny problem,jenomze u me to na 100% vyresil az druhy maly moturek z kazetaku,kterej si vzal na starost jenom a pouze navijeci spojku a velkej motor uz neni nicim vic ci min brzden :-)

2668 Petr.116 Petr.116 | 3. února 2013 v 9:43

Sběratelé,

máte-li zájem o exportní SONET a B58 k tomu, koukněte na
http://starestroje.blog.cz/1004/forum-volna-diskuze/komentar/105881577

2669 Martin Martin | 3. února 2013 v 13:28

2667 bajty

zdravim, tak jsem vyzkousel jeste nasledovni: dle vasi rady jsem se podival na privijeci spojku. Od kamarada jsem si zapujcil ctyri nahradni a jednu po druhe jsem menil. Problem se vsak ani pri jedne nevyresil. Mgf tahal porad stejne, i kdyz jsem vyzkousel zmenit i moment samotne spojky na perovem zvazku. Pak me napadlo, jestli pak problem nemuze jit od pritlacne kladky, jesti neprokluzuje, nebo jesti ma spravny tlak na tonovou hridel. Kladku jsem zamenil za novou, jenomze vysledek byl porad stejny. Nahral jsem na pas u kamarada na jeho B115 na obou rychlostech jednu skladbu a pak ji pustil na me B115. Moje B115 mela pri obou rychlostech na jedne minute 4 vteriny zpozdeni. Ted me jeste napada, jestli bych si nemel zehnat jednu B115 nebo B116 na nahradni dily a pak zkouset menit vsechny komponenty, ktere maji vlyv na posuv. Motor, predlohu, privijeci spojku. Uz me nic jineho nenapada, v cem by mohl byt jeste problem. V kazdem pripade dekuji :-)

2670 bajty bajty | 3. února 2013 v 17:59

může toho být mnoho. od moc utažené brzdy až po kladku a taky to muze delat ta packa co drzi horni lozisko ty remenicky jak je pro pretaceni a nahonu setrvacniku,obe loziska jak horni tak dolni musi byt presne sladene,íkdyz jsou v takove gume,ktera by mela zarucit jejich souosost na hridel i to moc nepomaha.chce to si s tim trochu pohrat, ja jsem chtel rict jenom to, ze ja jsem taky hledal porad vsude nevedel jsem kam a pak jsem jednim prstem oddalil navijeci spojku od unasece a druhou rukou jsem chvili navijel rucne civku a vysledek byl okamzite znat :-)

2671 bajty bajty | 3. února 2013 v 18:02

Petr.116
kdyby ten kryt byl aspon original 202 ;-)
jinak dulky v oblozeni setrvacniku maji snad tradicne vsechny :-D

2672 palipol palipol | E-mail | 3. února 2013 v 20:45

bajty:...soudruzy v Prelouci ji radi dost utahovali...správny gramatický tvar je "soudruzi", ty soudruhu... ;-)

Martin: Ak si všetko vyčistil, premazal, nastavil  a všetko ide hladko, zostáva len motor, ktorého rotor nejde v osi a nedosahuje nominálnych otáčok. Rozobrať, vyčistiť, premazať, presne zložiť - pozor na papierový kryt vetráku.

2673 Petr.116 Petr.116 | 4. února 2013 v 1:09

[2671]:
Já z Aurory nevystřelil, tak už jsem to koupil.
Nový majitel si může v případě zájmu zalepit a vytmelit ty otvory navíc a přestříkat ... a nikdo nic nepozná.
Pokud jde o vytlačené důlky v obložení setrvačníku, pozná se podle toho, kterej blb to vlastnil. Protože lidi, co čtou návod, dočtou se, že se to musí vypínat vypínačem, aby se kulisou ten motor odklonil. :-D

2674 Petr.116 Petr.116 | 4. února 2013 v 1:21

[2669]:
Ještě se nemluvilo o pasivních odporech v dráze a o pružině, co přitahuje PINCH ROLLER (přítlačná kladka) ke CAPSTANU (tónová hřídel).
Ty pasivní odpory mohou dokonce být i tím, že není v pořádku výšková rozteč vodítek a pásek dře v dráze.

Pružina : mluvilo se sice o správném tlaku mezi PINCH ROLLEREM a CAPSTANEM, ale případné pouhá výměna PR to neřeší, pokud by byla např. vytahaná pružina - zažil jsem.
A pak nepoužívat srač.kové RMGi LPR35 a podobné pásky, kde u řady Bxxx a CMxxx je problém s jejich Back Coatingem. A dokonce se dá najít v literatuře, že firmě RMGi občas ujede i řez, kdy "porcují" pásek na výslednou šířku.
No a pak to "drhne" v dráze. A když pak nesedí přesně ani šířka vodítka dráhy , je průser.
Problém s páskem a zvýšenými odpory v dráze poznáš tak, že když si nahraješ stabilní tón (třeba 1000 Hz) a přehráváš ho, tak na konci pásku (vlevo málo, vpravo skoro vše) klesne výška tónu a po opatrném obrždění levé páky se tón zvýší !!!!!

2675 bajty bajty | 4. února 2013 v 12:58

palipol
pardon pardon :-?

2676 Sendy Sendy | E-mail | Web | 9. února 2013 v 11:18

Dobrý den, sháním pro Akai GX635 cívku oscilátoru typ 49H364 - možná je stejná i v jiných modelech, nebo aspoň informaci o kmitočtu a napětí oscilátoru v tomto magnetofonu.

2677 Petr.116 Petr.116 | 10. února 2013 v 11:20

[2676]:
Obávám se, že tady ne.
MGF Akai tady máme jen dva lidi (každý jeden - svůj a jiný, než GX635) a pokud vím, nikdo si neshání díly navíc.

Lepší nápad je koukat na eBay :-)

2678 Sendy Sendy | 10. února 2013 v 22:55

No co se dá dělat, náhoda je blbec...

2679 Standa Standa | 16. února 2013 v 16:30

Dobrý den, moc zdravím všechny mgf fandy a zároveň prosím o radu. Marně scháním čitelné schéma magnetofonu RFT KB100 MkII. Vyhrabal jsem před časem jeden kousek vyhozený z kontejnéru a podařilo se mi ho částečně rozchodit. Má to ale ještě nějaké mouchy a tak bych se potřeboval podívat na schéma a doladit ho elektricky. Jinak mechanika už po opravě šlape úžasně, úpně mě to ohromilo! Je to neskutečný, jaká je v jednoduchosti a zároveň bytelnosti síla i po těch letech! Všechny zdravím...

2680 Standa Standa | 16. února 2013 v 16:51

Ještě k tomu mýmu KB100, mechanika jde po kompletním rozebrání, důkladném vyčištění a promazání / hrál jsem si s tím tři dny / úplně tiše! Kdyby trošku nevrnělo trafo, nebylo by slyšet vůbec nic! Neuvěřitelný! ??? Po zapnutí el. části v tom jenom chastilo šumělo a praslkalo. Všechny kontakty byly totálně černý a zaoxidovaný a poťáky dost špatný! ! Byl u něj dokonce jeden nahraný pásek, který už sice spolehlivě přehrává ale s poměrně nízkou hlasitostí a dynamika také nic moc! Špatně maže záznam na páscích které mám k dispozici a nahrává trochu zkresleně. Vstup je hodně citlivý! No snad se mi to podaří ještě vyladit. Zkusím vyměnit nějaké kondenzátory, některé vypadají i od pohledu dost hrozně. Kdyby měl někdo nějaké tipy nebo nápady, budu moc rád :-)

2681 Standa Standa | E-mail | 18. února 2013 v 20:55

Tak děkuji, podařilo se mi sehnat v antikvariátu celý originální servisní manuál se schematem. Strašná náhoda. :-) :-)

2682 bajty bajty | 24. února 2013 v 20:36

k čemu to sloužilo? vypadá to na továrnu
http://www.ps-service.cz/stroje2/galerie/028_151324_Petr_116.html

2683 Standoch Standoch | 26. února 2013 v 9:40

[2682]: Když se sem podívá Westfan tak ten ti řekne víc ;-)

2684 Samm Samm | E-mail | 8. března 2013 v 3:07

Dobrý den, někde jsem "zavadil" o informaci, že kotoučák Unitra M2404 S by vlastně Teslou... Má někdo z vás bližší informace nebo dokonce schema? Předem díky za odpověď.

2685 Westfan Westfan | E-mail | 8. března 2013 v 20:21

[2681]: Byly by nějaké fotky?

2686 Enter Enter | 11. března 2013 v 10:47

[2684]: Model M2404S neznám, u nás byl prodáván M2405S, což je nástupce miodelu ZK246 a v žádném případě to není TESLA (naopak, když byl u nás prodáván pod značkou TESLA, tak od nás pocházel akorát štítek a magnetofony byly v Přelouči přebaleny a "doseřízeny"), je to v této verzi už značně překopaná licence THOMSON MB-945.

2687 Samm Samm | E-mail | 11. března 2013 v 12:29

[2686]: Díky za info. "Okometricky" vypadá shodně s M2405S. Najde se tady někdo ochotný tento stroj zrevidovat a seřídit, případně opravit co bude třeba? Jsem schopen dovozu po ose Praha/Brno/Ostrava. Finanční odměna samozřejmostí ...

2688 Petr.116 Petr.116 | 11. března 2013 v 23:22

[2686]:
Upřesním : přebalovalo se v Tesle Pardubice, závod Kyjevská. I mne tam jako vývojáře jednou povinně vyhnali na 14 dní - (zákoník práce a paragraf o možnosti Tě strčit na určitou dobu kamkoliv ...).
A terminologicky bylo vytištěno a ve všech propagačních materiálech uvedeno : " ... vyrobeno ve spolupráci
Tesla Pardubice a Unitra ZRK, Zaklady Radiowe im. M. Kasprzaka ..."

Modely UNITRA přibližně zde
http://www.radiomuseum.org/m/unitrazakl_pl_en_1.html

2689 Petr.116 Petr.116 | 11. března 2013 v 23:40

[2682]:
Lékařské zařízení:

Cituji : ...The impulses were fed into a Tesla NZG 702 counter and
a Tesla NXZ 701 memory circuit tape recorder. ..."

NA přečtení celého článku bys musel mít registraci a zaplatit :
http://search.karger.com/search?q=NXZ+701&entqr=3&ud=1&sort=date%3AD%3AL%3Ad1&output=xml_no_dtd&oe=UTF-8&ie=UTF-8&client=default_frontend&proxystylesheet=default_frontend&site=default_collection&getfields=Citation.Doi&filter=p&requiredfields=NrProdukt%3A240758

2690 Petr.116 Petr.116 | 11. března 2013 v 23:45

[Smazaný komentář]
Dej si http://search.karger.com/
a pak do rubriky hledat dej NXZ 701 ...

2691 bajty bajty | 15. března 2013 v 14:48

Petr
dik za info,jestli tomu tedy dobre rozumim slouzilo to k zaznamenavani srdecnich pulzu?

2692 Petr.116 Petr.116 | 15. března 2013 v 15:14

[2691]:
... nevím, zda přesně k tomuhle - já jsem se tam neregistroval, abych si ten článek dočetl, ale nějaká medicínská technika to byla ...

2693 bajty bajty | 16. března 2013 v 16:20

teda ale az ted jsem si vsiml ze to melo 4 stopou hlavu,takova hlava se snad ani seriove nevyrabela,aby byla schodna parametrama a rozmerama s ANP935

2694 Standoch Standoch | 22. března 2013 v 17:35

Jak sem dal Petr odkaz na ty polaky tak tohle bych chtěl někdy vidět naživo v chodu (nemyslím zrovna tuhle značku,ale tenhle stroj)
Máte to někdo doma?

http://www.radiomuseum.org/r/zaklady_mtv_10mtv1.html

2695 Enter Enter | 22. března 2013 v 17:39

[2694]: Úplně stejnej jsem viděl sovětskej.

2696 Vilda Vilda | E-mail | 22. března 2013 v 20:09

Standoch [2694]:
Vypadá to celkem zajímavě.

2697 pavelk pavelk | Web | 28. března 2013 v 10:40

tohle taky viz WEB

2698 Vašek Vašek | 29. května 2013 v 0:15

Zdravím všechny příznivce cívkových magnetofonu. Těmto www stránkám o této velmi kvalitní a dodnes fungující technice fandím. Vlastním cívkový magnetofon Tesla B100 Stereo.Dostal jsem jej od známého, který již neposlouchal. Nejsem žádný elektrotechnický odborník, nicméně bych potřeboval poradit: Na základně odvíjené cívky mám uražené plošky a cívka se volně otáčí. Není bržděna a ke konci cívky způsobuje třesení. Používám drobnou zátěž, ale to není ono :-) Pokud by byla k sehnání, bylo by to výborné. Jinak všechny zdravím a ať všem tyto přístroje ještě dlouho slouží

2699 Vilda Vilda | E-mail | Web | 29. května 2013 v 22:36

Vašek [2698]:
Též zdravím a děkuji za pochvalu stránek. Pokud jde o nový unašeč pro magnetofon, doporučil bych Vám pana Martina Hájka ze stránek www.oldradio.cz, který by mohl mít nějaké náhradní v zásobě. Popřípadě se možná ozve ještě někdo ze zdejších sklaních návštěvníků. Já bych rád pomohl, ale mé (dříve) železné zásoby se již ztenčily na potřebné minimum. :-|

2700 Enter Enter | 30. května 2013 v 14:54

[2698]: Dobrý den, pochopil jsem správně, že máte na unašeši ulomena křidélka toho "trojzubce"? To jsme za bolševika opravovali následovně: Do základny i trnu unašeče v místě, kde ulomené křidélko končilo, dírka cca. 0,8 mm vrtáčkem, kousek 0,8 mm drátu ohnout do L a vlepit epoxidem. Myslím, že to byl návod odněkud z Amatérského radia.

Zobrazit novější komentáře

Komentáře jsou uzavřeny.